SKF81238M
SKFGS81230
SKFGS81206
SKF89330M
SKFBGSB358235
SKF464789
SKFWS81103
SKFWS81126
SKF81268M
SKF81122TN
SKF89310TN
SKFWS81128
SKF81144M
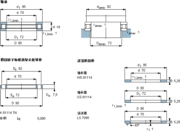
SKF81114TN
SKFGS81134
SKFLS6590
SKFWS89330
SKF89313TN
SKFWS89436
SKFGS81212
移动电话:13524962345
服务热线:021-39528210
公司邮箱:564384742@qq.com
邮政编码:201800
服务时间:周一到周六 8:00-19:00
公司地址:上海市金山区廊下镇景乐路228号3幢