SKFGS81105
SKFWS81212
SKF81208TN
SKFWS89318
SKFGS81284
SKFWS81116
SKF358156
SKFWS89432
SKF89196M
SKF81213TN
SKF812/710M
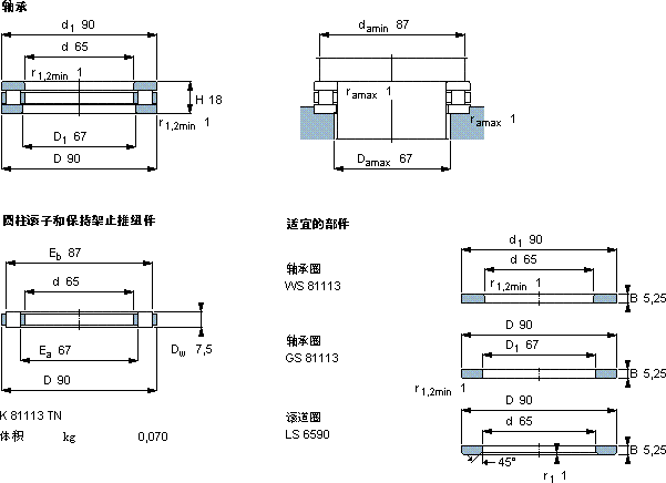
SKF81113TN
SKFWS89456
SKFGS81109
SKFWS81176
SKFBGSB358316
SKF358191
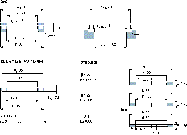
SKF81112TN
SKFBGSB358272
SKFGS89310
移动电话:13524962345
服务热线:021-39528210
公司邮箱:564384742@qq.com
邮政编码:201800
服务时间:周一到周六 8:00-19:00
公司地址:上海市金山区廊下镇景乐路228号3幢